粘接拉伸強度測定方法介紹
來源:天氏庫力 發布日期
2019-11-29 瀏覽:
膠粘結構在使用時,經常需要具有很高的力學性能,目前評定膠粘件力學性能優劣的主要指標是粘接強度。而粘接強度是指 在外力作用下,使膠粘件中的膠粘劑與被粘物界面或其鄰近處發生破壞所需要的應力,粘接強度又稱為膠結強度。本文我們主要為大家介紹一下粘接拉伸強度及其測定方法。
粘接拉伸強度又稱為均勻扯離強度、正拉強度,指的是粘接受力破壞時,單位面積所承受的拉伸力,單位兆帕,由于拉伸比 剪切受力均勻的多,所以一般膠粘件的拉伸強度比剪切強度高的多。常見的拉伸強度的測定有金屬與金屬粘接拉伸測定和非 金屬與金屬粘接拉伸兩種,下面我們就來詳細介紹一下兩種粘接拉伸強度的測定方法。
1、金屬與金屬粘接拉伸強度的測定
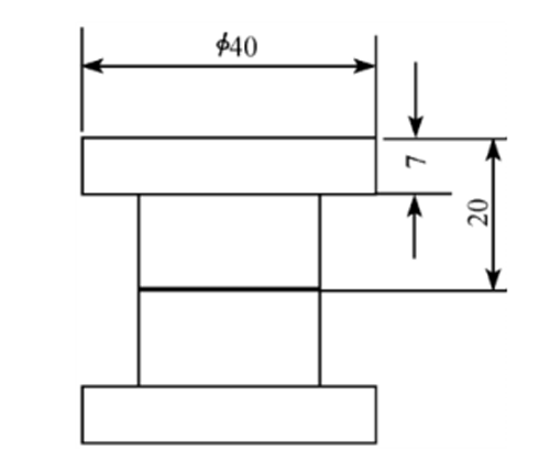
測定金屬粘接拉伸強度的最常用試件如下圖所示:

拉伸強度測定試件

拉伸強度測定試件粘接加壓裝置
試件兩圓柱體的直徑應一致,同軸度為±0.1mm,兩粘接平面平行度為±0.2mm,加工粗糙度為5.0μm。試件粘接按工藝要求 進行,為確保膠層厚度一致,可將φ0.1*(2-3)mm左右的銅絲在疊合前放入膠層內,以專用裝置定位固化。
測定前從膠層兩旁測量圓柱體的直徑d(精確到1/10^6m)。測定時將試件裝于拉力試驗機的夾具上,調整施力中心線,使其 與試件軸線相一致,以(10-20)mm/min的加載速度拉伸,拉斷時記錄破壞負荷,;拉伸強度按下面的公式計算,單位為MPa :
δ=F/A
式中:F-試件破壞時的負荷;
A-試件粘接面積,A=πd²/4。
每組粘接試件不得少于5個,按允許偏差±15%取算術平均值,保留3位有效數字。
如果需要測定高低溫時的拉伸強度,應將試件和夾具一起放入加熱或冷卻裝置內,在要求溫度下保持(40-60)min,然后再進行測定。

拉伸強度測定設備-拉力試驗機
2、非金屬與金屬粘接拉伸強度的測定
非金屬與金屬粘接拉伸強度的測定,采用兩金屬間夾一層非金屬的方法。在此,天氏庫力小編主要介紹一下橡膠與金屬粘接扯離強度的測定方法。
橡膠厚度為(2±0.3)mm,粘接后的試件尺寸如下圖所示:

橡膠與金屬粘接扯離強度的測定試件
試件按工藝條件要求粘接,粘接面錯位不應大于0.2mm。測試時將試件裝在夾具上,調整位置使施力方向與粘接面垂直,以(50±5)mm/min的加載速度拉伸,記錄破壞時的最大負荷,按下面的計算公式計算扯離強度δ,單位為MPa:
δc=F/A
式中:F-試件破壞時的負荷;
A-粘接面積,A=πd²/4。
試件不得少于5個,經取舍后不應少于原數量的60%,取其算術平均值,允許偏差為±10%。
推薦閱讀
【本文標簽】:粘接拉伸強度,拉伸強度測定方法
【責任編輯】:天氏庫力 版權所有:http://www.jy3b.com/轉載請注明出處